GLOBETrekker? 2.0 是加拿大Norsat公司研發的新一代模塊化衛星通信終端,專為極端環境下的高效通信設計,廣泛應用于軍事、應急響應、野外勘探等領域,具備快速部署、智能操作、全頻段兼容等優勢,采用軍用級標準制造,有模塊化架構和一鍵式操作界面,還列出了其在 X - Band、Ku - Band、Ka - Band 不同天線尺寸下的技術規格(如 G/T、EIRP*等關鍵參數)以及應用場景(軍事和商業方面)。
JQL Technologies的JIC27K0T31K0K0是一款27-31GHz同軸隔離器,具備≥19dB隔離度和≤0.7dB插入損耗,支持2W正向/1W反向功率,采用12.7×12.7×16.0mm鋼制鍍鎳模塊(RoHS合規),配備K-F型同軸接口,工作溫度-20°C至+70°C,重量約5g,適用于毫米波高頻隔離場景。
LNF-ISC4_8B和LNF-CIC4_8B是由Low Noise Factory AB公司研發的4-8GHz超低溫微波隔離器和環形器,專為量子計算、射電天文等極低溫應用設計,可在0.01K至100K環境下穩定工作。是超導量子系統、低溫探測器等前沿科研領域的理想選擇。
Focus Microwaves生產的C1260是一款6.0-12.0GHz頻段的計算機控制可調諧器,采用滑動螺桿結構,具有40:1最大VSWR、76W高功率處理能力(12GHz下)、-50dB重復性等特性,支持LAN/iTuner控制,適用于5G/雷達測試、功率放大器驗證等高精度射頻應用場景(物理尺寸26.28cm/9.07kg,標配3.5mm接口,可選N型)。
LNF-LNR1_15B_SV 是一款高性能寬帶低噪聲放大器,適用于1-15 GHz頻段,具有極低噪聲(0.78 dB NF)、高增益(36 dB)和優秀的線性度(OIP3=9 dBm)。其緊湊設計和標準接口(SMA+Turret)使其適用于射頻接收系統、衛星通信、天文觀測等場景。
Luxium Solutions(原Saint Gobain Crystals)是電離輻射檢測領域的領先閃爍材料制造商,專注于高性能塑料閃爍體。該材料由有機閃爍分子固溶聚合而成,具有可定制發射波長和衰減時間,廣泛應用于核測量、粒子探測及污染監測。其產品形態多樣(鑄片、薄片、細棒等),支持表面處理(如拋光)及光傳感集成,并提供特殊型號如BC-400(通用)、BC-404(高β靈敏度)和BC-490(可切割定制,含綠色發射版本BC-490G),滿足帶電粒子探測、快速計時等精密需求。
Luxium液體閃爍體具有適應溫變等亮點,部分產品添加有機金屬化合物等,有濃縮物設計便于現場稀釋,需密封保存并使用前脫氧。其物理常數表涵蓋多種型號,包括光輸出、波長、衰減常數等參數,應用指南介紹了各型號的獨特特性(如脈沖形狀鑒別、高輸出等)及主要應用(如γ射線、快中子等探測,不同科研場景)。
中子探測技術在核能、科研、醫療和國防領域至關重要,主要產品包括BC-702熱中子探測器(高效閃爍、伽馬抑制,6.35mm厚,多尺寸可選)、BC-720快中子探測器(專測1MeV以上快中子,15.9mm厚塑料圓盤,抗伽馬干擾)以及BC-704/705中子射線照相探測器(BC-704發藍光適配傳統成像,BC-705發綠光兼容增強器,閃爍效率9%,伽馬敏感度差異顯著),均支持光電倍增管耦合,滿足多樣化需求。
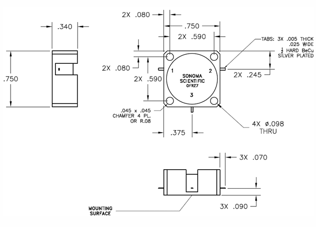
Sonoma Scientific C5ST2 是一款嵌入式環行器,工作頻率覆蓋 5.8–8.4 GHz(適用于無線通信、雷達等),具有低插入損耗(≤0.5 dB)、高隔離度(≥16 dB) 和 優異匹配(VSWR≤1.38:1),支持 50W正向/30W反向 功率處理,并能在 -30°C至+85°C 寬溫環境下穩定運行。
Kuhne KU LNA BB 0011000 AA 是一款高性能低噪聲寬帶放大器,工作頻率覆蓋10 MHz至10 GHz,支持多頻段應用,提供兩種增益變體(22 dB和14 dB),具有低噪聲(典型值2.3-3 dB)、高線性度(OIP3典型32 dBm)和優異抗干擾特性。其機械設計緊湊(58×45×12 mm),支持寬電壓供電(+6V至+36V DC),適用于通信系統及精密測試場景,核心優勢包括寬帶覆蓋、增益平坦度(±1 dB/±2.5 dB)及內置反極性保護。
JQL Technologies的JIS34K5T35K6G0C是一款高性能微帶隔離器,工作頻率覆蓋34.500~35.600GHz,具有優異的溫度穩定性(-40°C至+70°C),最大插入損耗僅1.20dB,電壓駐波比1.35:1,最小隔離度19dB,可承受2W的正向/反向/峰值功率,采用5.0×5.0×1.2mm的緊湊型表面貼裝封裝,是雷達系統的理想選擇。
Renaissance Electronics Corporation (REC)的HSWM22801-351是一款26.5-40GHz非反射式GaAs SPDT開關MMIC,具有高隔離度(≥30dB)、低插損(2.3-3.9dB)和10W功率處理能力,采用2.9mm/SMA接口,30ns快速切換,適用于毫米波通信和雷達系統。
JQL Electronics 提供多款高性能微波環行器和隔離器,其中 JCS9000T10K0 工作頻率為 9-10GHz(全帶寬),具有 5W平均功率、0.5dB插入損耗和20dB隔離度,適用于商業、航空航天及國防領域;另一款5-12GHz微帶環行器/隔離器參數為:隔離度16-20dB、插入損耗0.5-0.6dB、駐波比1.2-1.4,支持-30°C至+70°C工作溫度,封裝尺寸6-12mm,廣泛用于軍事雷達、航天通信、5G基站及測試設備。
RFCR8920 是一款專為5GHz至10GHz高頻應用設計的高性能射頻環行器(Circulator),適用于雷達、通信基站和衛星系統等對隔離度和低損耗要求嚴格的場景。
Sonoma Scientific公司研發的C1XM13是一款高功率SMA環行器,專為1.25-1.4 GHz射頻系統設計,具有卓越性能:隔離度≥20 dB、插入損耗≤0.3 dB、駐波比≤1.22,支持100W平均功率和1000W峰值功率(正反向均適用),工作溫度范圍-55°C至+90°C,采用三端口全母頭SMA接口,尺寸僅1英寸立方,廣泛應用于雷達、衛星通信及高功率放大器隔離等高要求場景。
Kuhne Electronic 的 KU LNA 200250 A SMA 是一款專為 S波段(2000-2500MHz) 設計的超低噪聲前置放大器,具有 0.35dB 極低噪聲系數 和 53dB/35dB 可切換高增益,適用于衛星地面站、通信系統及實驗室測量設備。
Quantum Microwave QMC-IRM-0515UD是一款高性能5.3-16GHz圖像抑制混頻器,具有≤10dB低轉換損耗和≥20dB優異邊帶抑制能力,采用鍍金無氧銅外殼和SMA母頭接口確保穩定連接;其寬本振功率容差(+8至+13dBm)、≥40dBc高隔離度及內置中頻濾波器設計,特別適用于5G/衛星通信、毫米波雷達和射頻測試等嚴苛場景。
QMC-BPF15-6004是一款高性能毫米波波導帶通濾波器,具有58.0-62.5GHz工作頻段、低損耗(1.5dB典型值)和高抑制(相鄰頻段≥25dB)特性,采用WR-15波導接口,適用于5G毫米波通信、衛星通信及雷達系統等場景,其精準選頻和信號保真設計可有效提升系統抗干擾能力。
JQL Electronics表面貼裝環形器和隔離器是應用于無線通信(PCS、DCS、5G等)、蜂窩網絡和高功率射頻系統的關鍵元件,具有高隔離度(20-23dB)、低插入損耗(≤0.5dB)、高功率處理能力(≤100W)和寬溫工作范圍(-40°C~85°C)等特點。
JQL Technologies J-ATN-30-NMNF-100-0T4K0固定衰減器是一款高性能射頻元件,核心參數包括DC-4GHz寬頻段、30dB(±1dB)精準衰減、100W高功率(高溫需降額)、50Ω阻抗和-55°C~125°C軍工級耐溫范圍,采用NJ-NK接口;其特點為低駐波比(VSWR≤1.25:1)、符合RoHS標準,適用于通信基站信號調節、測試設備校準及軍工電子等高要求場景。
在線留言