Renaissance 12A4BG-40N雙定向耦合器
發布時間:2025-07-25 08:56:22 瀏覽:1989
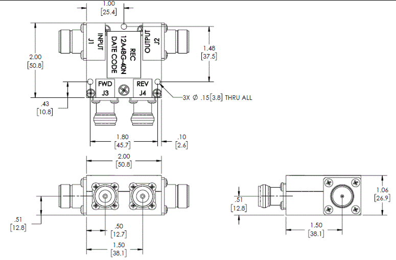
Renaissance 12A4BG-40N是一款雙定向耦合器,由 Renaissance Electronics公司生產。其工作頻率范圍為700MHz至4.2GHz,尺寸為2×2×1.06英寸,適用于測試和測量應用。


Renaissance Electronics & Communications, LLC 是一家專注于高可靠性無源和有源組件以及子系統的設計和制造公司,其產品廣泛應用于軍事和商業領域。HXI公司(已被Renaissance收購)是一家專注于射頻和微波技術的公司,主要為國防、太空和航空市場提供廣泛的產品線,包括低噪聲放大器、功率放大器、頻率倍增器、混頻器/上變頻器、波導隔離器和環行器以及PIN開關等,頻率覆蓋從18 GHz至110 GHz。深圳市立維創展科技有限公司優勢供銷Renaissance/HXI產品,歡迎咨詢了解。
推薦資訊
Bird射頻?水冷式射頻終端8765射頻負載制定為緊湊型、低VSWR和無輻射終端,主要用于高功率發射裝置/光纖傳輸操作系統。
HMSW系列提供高精度手動波導開關解決方案,適用于測試和測量等需在不同端口連接或隔離的應用,頻率覆蓋18 GHz到110 GHz,能適應多種波導尺寸。其技術特點包括頻率覆蓋多波段、低插入損耗(最大0.4 dB)、高隔離度(最小60 dB)、優良VSWR(典型1.15:1)、精確機械索引(8個45度位置)、3通道轉子設計。應用場景涵蓋測試和測量設備、雷達系統(信號路由和隔離)、通信系統(信號切換和分配 )。
在線留言