20 dB),適用于衛星通信、雷達及基站等射頻系統。其耐功率達250W峰值/25W均值,工作溫度范圍-40至+85°C,采用緊湊設計(外徑12.1mm×高4.4mm),配備3引腳(間距2.0mm)和4個1.0mm安裝孔,滿足嚴苛環境下的高隔離信號傳輸需求。">
RFCI RFCR2911法蘭安裝嵌入式環行器
發布時間:2025-04-11 09:07:24 瀏覽:1582
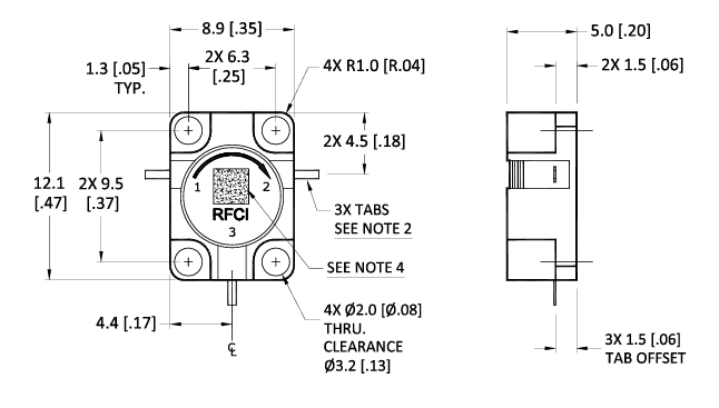
這是RFCI生產的RFC2911的法蘭安裝嵌入式同軸環行器。環行器是一種用于微波和射頻通信系統中的非互易性器件,它允許信號在一個方向上通過,而在相反方向上阻止信號。RFCR2911環行器適用于需要高隔離度和低插入損耗的射頻和微波應用,如衛星通信、雷達系統和無線通信基站。

電氣規格
頻率范圍:13.0 GHz至16.0 GHz
插入損耗:典型值小于0.45 dB,最大值0.50 dB
隔離度:典型值大于20 dB,最小值18 dB
回波損耗:典型值大于20 dB,最小值18 dB
功率和溫度等級
正向功率:峰值/平均值250/25W
反向功率:最大10W
工作溫度:-40至+85°C
存儲溫度:-40至+95°C
機械尺寸
尺寸:外徑12.1mm,高度4.4mm
安裝孔:4個直徑1.0mm的安裝孔
引腳:3個引腳,間距2.0mm
引腳偏移:1.5mm
RFCI是一家專業生產射頻(RF)環行器和隔離器的公司,產品覆蓋了從50 MHz到20 GHz的頻率范圍,廣泛應用于通信和無線基礎設施。深圳市立維創展科技有限公司優勢代理銷售RFCI產品,歡迎咨詢了解。
推薦資訊
Teledyne SP Devices?的數字基線穩定器(DBS)技術應用內置于我們所有的適用于時域技術應用的固件包中。高精度實時清除基線轉變,后臺運行,不需要校準信號或精確測量中斷。DBS通過清除不必要的轉變,將其水平調節為用戶定義的目標值來穩定基礎線。這有利于捕捉最小的脈沖,提升動態范圍,提升 脈沖解析的準確性。
MTI Instruments?測試設備PBS-4100+便攜式振動平衡系統主要用于商用型和軍用航空航天中的振動分析和渦噴發動機平衡儀器及配件。設計主要用于迅速鑒別發動機問題并清除可避免的發動機拆裝。迅速配備和直觀的用戶界面使其易于安全使用。
在線留言