Ampleon射頻功率解決方案
發布時間:2025-03-28 09:29:07 瀏覽:3125
Ampleon成立于2015年,總部位于荷蘭,是一家專注于射頻(RF)功率解決方案的高科技公司。公司擁有近60年的射頻功率技術積累,致力于通過基于氮化鎵(GaN)和橫向擴散金屬氧化物半導體(LDMOS)技術的創新射頻解決方案來推動社會進步。

主要產品
Ampleon的產品涵蓋了廣泛的射頻功率應用,主要包括以下幾類:
無線基礎設施:提供適用于4G、5G等移動寬帶業務的射頻功率放大器,包括宏基站、小基站和大規模MIMO解決方案。
廣播:是全球主要的廣播發射機用射頻功率晶體管供應商,產品覆蓋FM、VHF和UHF頻段。
導航和安全無線電:提供雷達、移動無線電和非蜂窩通信所需的射頻功率放大器。
工業、科學和醫療(ISM):提供用于工業加熱、烹飪和解凍等應用的射頻功率解決方案。
醫療保健:為磁共振成像(MRI)等醫療設備提供射頻功率放大器。
應用領域
Ampleon的產品廣泛應用于以下領域:
無線通信:支持5G NR基礎設施,提供高性能的射頻功率放大器,以滿足不同頻段和功率需求。
廣播:為電視和廣播電臺提供高效的射頻功率放大器,確保信號覆蓋和傳輸質量。
工業應用:在工業加熱、等離子體生成和CO2激光系統中,提供可靠的射頻功率解決方案。
醫療設備:為MRI等醫療成像設備提供穩定的射頻功率支持。
公司優勢
技術領先:擁有世界一流的LDMOS節點和供應能力,同時與GaN代工廠和技術創新伙伴合作。
全球布局:在全球擁有16個站點,1500名員工,覆蓋亞洲、歐洲和美洲。
可靠性和供應保障:提供經過驗證的可靠性、安全的供應鏈和出色的產品一致性。
靈活的生產規模:能夠根據客戶需求靈活調整設計和生產規模。
Ampleon是一家全球領先的射頻和功率半導體解決方案提供商,提供包括射頻功率放大器、收發器、射頻開關、驅動電路和功率控制器等在內的廣泛產品線,適用于4G LTE、5G NR基礎設施、廣播、工業等多個領域,深圳市立維創展科技有限公司優勢分銷Ampleon產品線,歡迎咨詢了解。
推薦資訊
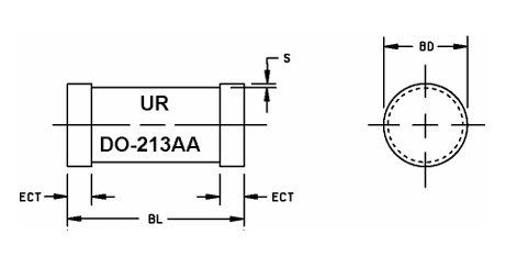
Microsemi 1N3595AUR是一款高可靠性開關二極管,采用金屬化鍵合、氣密封裝的雙插頭結構(DO-213AA),符合MIL-PRF-19500/241標準。其電氣特性包括寬范圍的正向電壓(0.52V-1.00V)、極低的反向漏電流(最大3μA)和快速反向恢復時間(≤3.0μs),適用于高頻開關、電源整流、脈沖電路及軍用航空電子設備。該二極管具有優異的熱性能,工作溫度范圍為-65°C至+175°C,支持高浪涌電流(1μs下4A)和125V直流反向電壓,封裝尺寸緊湊,引腳材料為銅包鋼,表面鍍錫/鉛,確保高穩定性和耐用性。
bliley晶體BQCSA,BQCSB,BQCSC,BQCSD,BQCSF,BQCSG,BQCSM,BQCSN,BQCSP,BQCSQ,BQCST,BQCSV,BQCSW,BQCT1,BQCT3,BQCTH,BQCTR,BQCTU
在線留言