TOREX XC6365/XC6366系列多功能降壓DC/DC控制器
發布時間:2025-01-21 08:48:10 瀏覽:1178
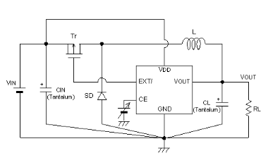
Torex XC6365/XC6366系列是多功能降壓DC/DC控制器,具有1A輸出電流能力,通過使用外部連接的晶體管、線圈、二極管和電容器實現。輸出電壓可在1.5V至6.0V(Vout)之間以0.1V的增量進行編程(±2.5%精度)。此外,內部1.0V的標準電壓供應和使用外部連接的組件,可以自由設置輸出電壓(FB)。通過300kHz的開關頻率,可以減小外部組件的尺寸。
XC6366(PWM/PFM可切換)在輕負載時從PWM切換到PFM,該系列從輕負載到大輸出電流都具有高效率。XC6365/XC6366A、B系列的軟啟動時間內部設置為10ms,XC6365/66C、D系列通過外部連接電阻和電容器來調節軟啟動時間。
在待機時間(CE引腳“低”),電流消耗減少到小于0.5μA。內部UVLO(欠壓鎖定)功能會在電壓低于規定值時強制關閉外部晶體管。

應用領域
電子書閱讀器/電子詞典
智能手機/移動電話
筆記本電腦/平板電腦
數字音頻設備
多功能電源
產品特點
輸入電壓范圍:2.2V至10V(Vout類型)
輸出電壓范圍:1.5V至6.0V(0.1V增量)(±2.5%)
振蕩頻率:300kHz(±15%)
輸出電流:超過1.0A(Vin=5.0V,Vout=3.0V)
高效率:92%(典型值)
待機能力:Istb=0.5μA(最大值)
選擇:外部軟啟動設置
輸出電壓設置:內部(Vout)和外部(FB)
PWM/PFM控制(XC6366)
最大占空比:100%
封裝:SOT-25,USP-6C
環保:符合歐盟RoHS標準,無鉛
Torex特瑞仕XCL系列PoL非隔離電源模塊可用Cyntec電源模塊進行替代,具體替代方案可咨詢立維創展。
推薦資訊
PDQ30-Q24-S3-D是CUI公司生產的30W隔離式DC-DC轉換器,采用1英寸x 1英寸(25mmx 25mm)標準封裝,適用于空間受限應用。具備4:1寬輸入電壓范圍,提供單路或雙路穩壓輸出,能效高達90%,五面屏蔽設計減少EMI。支持遠程開/關控制和輸出微調,工作溫度-40°C至+105°C,集成過流、過熱、過壓和短路保護。適用于微控制器、數據通信、電信、遠程傳感系統和便攜式電器等,符合62368安全標準,尺寸1英寸x 1英寸x 0.4英寸(25.4mmx 25.4mmx 10.16mm)。
GAMMA “XRM - XRF”系列提供緊湊、高度穩定、可變的負/正極性可變高壓電源,額定值可達60KV,功率水平高達50瓦,采用開關模式MOSFET技術,高壓電路真空封裝在有機硅彈性體中,雙控制回路可獨立控制電壓和電流,所有控制電路以接地為基準,便于接口和控制,還列出了XRM - XRF - 1.5等型號的輸出電壓和輸出電流參數。
在線留言