Torex XCL232系列同步降壓微型DC/DC轉換器
發布時間:2024-11-18 08:49:18 瀏覽:1215
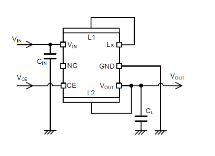
Torex公司的XCL232系列為同步降壓微型DC/DC轉換器,集成電感器與控制IC。采用超低電流消耗電路和PFM控制技術,封裝集成IC和線圈,僅需兩個外部電容器就能配置電源。該系列具備超低功耗電路,輸出電壓范圍為0.5V - 3.6V,有內部欠壓鎖定(UVLO)功能,還帶有D型輸出電容器放電功能。

應用
- 智能電表
- 低功耗射頻設備
- 傳感器模塊
- 可穿戴設備等多種設備
產品特點
輸入電壓:1.8V - 6.0V
輸出電壓設置:0.5V - 1.9V(0.05V增量)、2.0V - 3.6V(0.1V增量)
輸出電壓精度:±20mV(VOUT ≤ 1.0V)、±2.0%(VOUT>1.0V)
輸出電流:150mA
待機電流:200nA(VOUT = 1.8V)
控制模式:PFM控制
效率:86%(特定條件下)
放電功能:D型電容器放電
保護功能:UVLO
封裝:CL - 2025 - 03(2.5x2.0x1.04mm)
Torex特瑞仕XCL系列PoL非隔離電源模塊可用Cyntec電源模塊進行替代,具體替代方案可咨詢立維創展。
推薦資訊
MAXM15062/MAXM15063/MAXM15064是美信的降壓電源模塊,專為工業等領域設計。MAXM15062/MAXM15063提供固定3.3V和5V輸出,而MAXM15064提供可調輸出(0.9V至5V)。這些模塊支持4.5V至60V的寬范圍輸入,輸出電流最高可達300mA。應用領域包括工業傳感器和編碼器、HVAC和建筑控制、電池供電設備、通用電源、Type-C充電端口、4-20mA電流環供電傳感器、LDO替代品和通用負載點電源。
TPSM86325x,TPSM82913,TPSM843320,TPSM82903,TPS82130降壓電源模塊可用Cyntec的MUN12AD03-SECM,MUN20AD03-SM和MUN12AD03-SH進行替代。
在線留言