X-1620NL SMT信號隔離變壓器iNRCORE
發布時間:2024-10-31 09:02:02 瀏覽:2555

iNRCORE X-1620NL是一款專為惡劣環境設計的小尺寸信號隔離表面貼裝(SMT)變壓器,具備以下特點:
主要特點:
高隔離電壓:至少3kVrms。
寬工作溫度范圍:從-55°C至+125°C。
耐用材料:錫/鉛結構。
濕度敏感性等級:3級。
電氣規格:
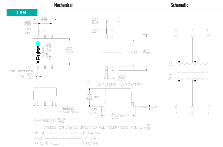
匝比:1CT:1CT,初級與次級匝比精度為±2%。
初級電感:至少1mH。
直流電阻(DCR):最大0.8Ω。
漏感:最大1.2mH。
繞組間電容(Cww):最大25pF。
初級電容(Cd Pri @ 10MHz):最大10pF。
引腳配置:1-3。
物理特性:
重量:1.16g,輕巧設計,便于集成。
尺寸:10.03 × 8.89 × 6.85mm,小巧尺寸適合空間受限的應用。
這款X-1620NL變壓器在耐高溫、抗濕性以及高電壓隔離性能方面表現卓越,非常適合需要高環境適應能力的應用場景,如工業控制、汽車電子和通信設備。

相關推薦:
推薦資訊
OmniOn power ?APXK004A0X-SRZ 16V PicoTLynxTM 4A電源模塊是一款非隔離型dc-dc轉換器,具備高達4A的輸出電流能力。該模塊適應寬輸入電壓范圍(8Vdc-16Vdc),并可通過外部電阻精確調節輸出電壓,從0.59Vdc至8.0Vdc。模塊功能豐富,包括遠程開關控制、輸出電壓可調、過電流和過溫保護等特性。尤為值得一提的是,其可調諧回路TM功能,使用戶能夠優化轉換器的動態響應,適應不同負載需求,減少輸出電容,進而實現成本和PWB面積的節省。
杰夫微GLF71325是一款1.1V-5.5V寬輸入范圍、4A大電流的集成負載開關,具有18mΩ超低導通電阻和1nA極低靜態電流特性,其核心創新在于內置2.2ms典型上升時間的斜率控制功能,可有效抑制浪涌電流和電壓跌落;采用0.97×1.47mm微型WLCSP封裝,支持-40°C至105°C工業級溫度范圍,主要應用于移動設備(如攝像頭供電)、SSD存儲節能及多電壓軌系統整合三大場景,兼具高效能與小型化優勢。
在線留言