204系列層壓晶圓DIP插座ANDON
發布時間:2024-06-21 09:43:44 瀏覽:1563
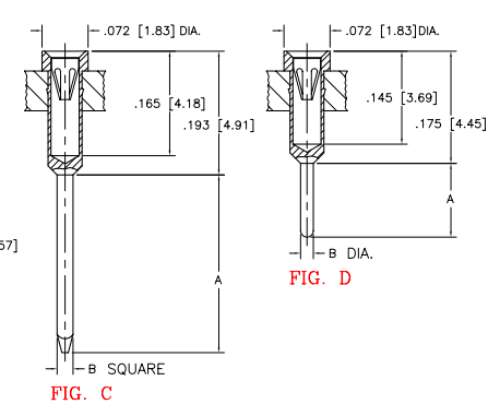
204系列層壓晶圓DIP插座由ANDON公司生產,它采用FR-4環氧樹脂(層壓板)作為絕緣材料,并獲得了UL 94V-0的認證。這款插座適用于DIP間距的元件,提供了多種引腳(PIN)數量和接觸材料選擇,包括鍍金/鍍金的黃銅(ASTM-B16)和鍍錫鉛/鍍金的鈹銅(ASTM-B194)。其工作溫度范圍為-65°C至+140°C。


插座的標準插入力為平均9盎司(oZ.),標準撤出力為至少2盎司(oZ.)。此外,還提供了其他類型的插入力和撤出力選項,以滿足不同的應用需求。
在訂購信息方面,產品代碼為204-XXX-XXX-PXX-N10,其中XXX-XXX代表特定的引腳數量和其他選項,PXX代表引腳鍍層,N10代表無索引版本。

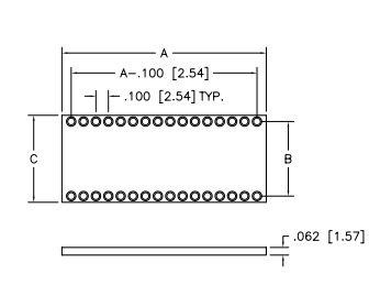
該系列插座的尺寸和規格以英寸和毫米為單位進行了詳細說明,包括PIN的直徑(DIM "A")、PIN之間的間距(DIM "B")以及整體尺寸等。
| SERIES 402 WAFER CHART | ||||
| PIN | DIM“A” | DIM "B" | DIM“C” | |
| 6 | .300[7.62 | .300 [7.62] | 400 [10.16] | 306 |
| 8 | .400[10.16 | 308 | ||
| 10 | 500 [12.70] | 310 | ||
| 14 | 700 [17.78] | 314 | ||
| 16 | 800 [20.32] | 316 | ||
| 18 | 900 [22.86] | 318 | ||
| 20 | 1.000 [25.40] | 320 | ||
| 22 | 1.100 [27.94 | 322 | ||
| 24 | 1.200[30.48] | 324 | ||
| 28 | 1.400 [35.56] | 328 | ||
| 24 | 1.200 [30.48 | .600 [15.24] | .700 [17.78] | 624 |
| 28 | 1.400 [35.56] | 628 | ||
| 30 | 1.500[38.10] | 630 | ||
| 32 | 1.600 [40.64] | 632 | ||
| 36 | 1.800 [45.72] | 636 | ||
| 40 | 2.000 [50.80] | 640 | ||
| 42 | 2.100 [53.34] | 642 | ||
| 48 | 2.400 [60.96] | 648 | ||
| 24 | 1.200[30.48 | 900 [22.86] | 1.000 [25.40] | 924 |
| 28 | 1.400[35.56 | .000 [25.40] | 928 | |
| 32 | 1.650 [41.91] | 1.050 [26.67] | 932 | |
| 50 | 2.500[63.05] | .000 [25.40] | 950 | |
| 52 | 2.600[66.04] | 1.000 [25.40] | 952 | |
| 64 | 3.250 [82.55] | 1.050 [26.67] | 964 | |
推薦資訊
Nicomatic推出了CMM SMPM系列高速連接器,該系列以其高達40 GHz的高頻性能、50 Gbps的高速信號傳輸能力、高密度配置、緊湊輕巧設計和集成安全鎖定機制為特點,旨在滿足在惡劣環境下對緊湊性和性能有高要求的應用需求。
TE泰科YB81511D1012P1V001圓形連接器,適用于面板連接,具有12個芯位和密封功能,可在惡劣環境下保持穩定電氣性能。符合軍用規范,支持面板安裝,工作電壓高達600 VAC,符合RoHS指令,耐高溫。
在線留言