XCL211B082DR降壓DC/DC轉換器Torex
發布時間:2024-05-21 09:37:24 瀏覽:3125
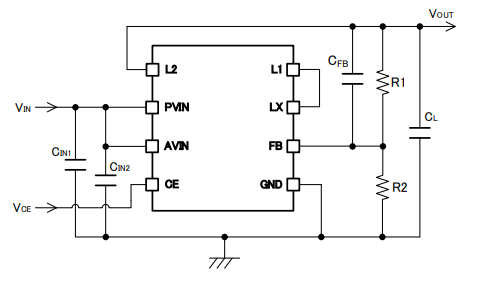
XCL211B082DR是一款由Torex生產的超小型降壓DC/DC轉換器,屬于XCL211系列。該系列產品將線圈和控制IC集成在一個封裝內,尺寸僅為3.1mm×4.7mm,高度為1.3mm,這種緊湊的設計簡化了電路板布局,并有助于減少因電路布線引起的錯誤動作或噪聲。

該轉換器的輸入電壓范圍為2.7V至6.0V,輸出電壓可以通過外部電阻從0.9V起任意設定,其反饋電壓為0.8V±2%。XCL211系列的工作頻率是固定的,這有助于抑制輸出紋波。軟啟動時間設定為1ms(典型值),確保輸出電壓能夠快速啟動。限定電流功能設定為4.0A(典型值),內置的UVLO功能在輸入電壓低于2.4V(典型值)時會強制停止內部驅動晶體管的工作,以保護電路。
當CE(Chip Enable)信號為低電平時,內置的CL放電功能會釋放負載電容(CL)中的電荷,從而將待機時的消耗電流控制在1.0μA以下,有助于降低功耗。
XCL211B082DR的主要技術參數包括:
- 效率:高達94%(在VIN=5.0V,VOUT=3.3V時)
- 輸出電流:2.0A
- 振蕩頻率:2.4MHz
- 最大占空比:100%
- 控制方式:PWM(XCL211)或PWM和PFM(XCL212)
- 功能:限流(自動返回)、軟啟動、CL放電、UVLO
- 輸出電容:推薦使用低ESR陶瓷電容
- 工作環境溫度:-40℃至85℃
- 包裝:USP-11B01
- 環保:符合歐盟RoHS標準,無鉛
XCL211B082DR適用于多種應用場景,包括筆記本電腦、打印機、平板電腦和便攜式導航設備(PND)等。其高效率、緊湊的尺寸和豐富的保護功能使其成為電子設備中電源管理的理想選擇。
推薦資訊
MAXM17532,4V至42V、100mA、喜馬拉雅uSLIC降壓型電源模塊,高度集成DC-DC電源模塊支持設計簡單性和小尺寸方案。
vishay CBB 和 CBC 是薄膜二進制 MOS 電容芯片,每片包含五個以二進制增量排列的不同容量電容,提供多種容量選擇。這些芯片采用 Vishay Electro-Films 的先進薄膜技術制造,經過 100% 電氣測試和目視檢查,符合 MIL-STD-883 標準。CBB 和 CBC 分別具有 0402 和 0404 封裝,容量范圍分別為最高 31 pF 和 93 pF,采用二氧化硅介質材料和半導體硅基底,背面鍍金,具有低介質損耗。它們設計用于通過線鍵合技術調整混合電路中的電容。
在線留言